Product Category
Product Overview
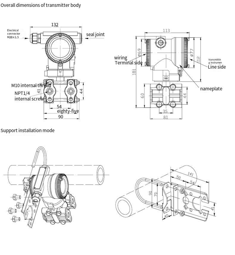
The 3051S LF sanitary differential pressure transmitter is used to measure the liquid level, density, and pressure of liquids, gases, or vapors, and then convert it into a 4-20mADC HART current signal output. The 3051S LF can also communicate with T375 handheld terminals or M100 modems for parameter setting, process monitoring, etc.
Standard Specifications
Calibrate the range based on the standard zero point, with a 316L stainless steel diaphragm and silicone oil as the filling fluid.
Product Overview
The 3051S LF sanitary differential pressure transmitter is used to measure the liquid level, density, and pressure of liquids, gases, or vapors, and then convert it into a 4-20mADC HART current signal output. The 3051S LF can also communicate with T375 handheld terminals or M100 modems for parameter setting, process monitoring, etc.
Standard Specifications
Calibrate the range based on the standard zero point, with a 316L stainless steel diaphragm and silicone oil as the filling fluid.





Example of selection:
Example: 3051S LF-BCAANMNLNN1C
[3051S LF]: Sanitary Differential Pressure Transmitter
[B]: Basic error of ±0.075%
[C]: Measuring range: 0-4kPa ~ 40kPa
[A]: Wetted parts: 316L stainless steel diaphragm, filled with silicone oil
[B]: Sanitary interface: DIN 32676 DN40 / ISO 2852 DN 38
[N]: No capillary tube, direct mounting
[M]: Electrical interface: ISO M20 × 1.5 female thread
[N]: No mounting bracket
[L]: LCD display (-20℃)
[N]: Basic type (non-explosion-proof)
[N]: No mounting accessories
[1]: Tag number marked on the nameplate
[C]: User manual in Chinese
Note: If a certain code refers to a non-standard item with special requirements, it can be replaced by the code "X" or "Y", and the corresponding description of X or Y shall be provided.


Example of selection:
Example: 3051S LF-BCAANMNLNN1C
[3051S LF]: Sanitary Differential Pressure Transmitter
[B]: Basic error of ±0.075%
[C]: Measuring range: 0-4kPa ~ 40kPa
[A]: Wetted parts: 316L stainless steel diaphragm, filled with silicone oil
[B]: Sanitary interface: DIN 32676 DN40 / ISO 2852 DN 38
[N]: No capillary tube, direct mounting
[M]: Electrical interface: ISO M20 × 1.5 female thread
[N]: No mounting bracket
[L]: LCD display (-20℃)
[N]: Basic type (non-explosion-proof)
[N]: No mounting accessories
[1]: Tag number marked on the nameplate
[C]: User manual in Chinese
Note: If a certain code refers to a non-standard item with special requirements, it can be replaced by the code "X" or "Y", and the corresponding description of X or Y shall be provided.